VOLVER AL INICIO
Trasmisión, distribución y generación de energía
Nacionales
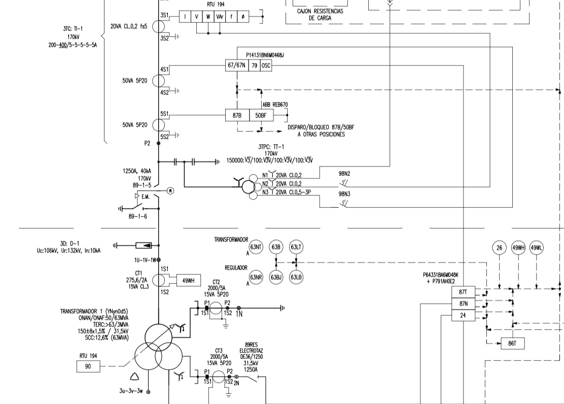
Ingeniería de alta tensión
Ingeniería eléctrica en estación de 150 kV
Continuar leyendo